薄壁襯套是某型航空發動機火焰筒上的一個零件,加工難度較高(材料為GH140,屬鐵—鎳基高溫合金)。為了加工出符合圖樣要求的零件,必須編制合理的工藝線路,并設計必要的夾具。
一、襯套的主要技術要求
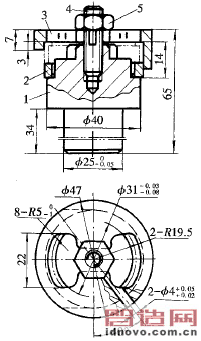
如圖1所示,襯套的幾何尺寸及公差,表面粗糙度都有較高的要求。在加工完后還須進行熱處理滲鋁。

圖1 襯套
二、襯套的加工工藝分析
由于襯套的材料是鐵—鎳基高溫合金,此種合金具有良好的抗氧化性,有高的塑性和韌性,足夠的熱強性和良好的熱疲勞性,是一種難加工材料。由圖1可知,當完成兩外圓和內部形狀加工后,襯套的壁較薄,受力差,內部空間位置也較小。要加工出2—φ4+0.16 0孔,兩處寬1±0.2mm的槽和兩處內弧形面,并保證對稱,比較困難。如直接夾持襯套加工,不僅容易變形,而且不好直接加工。因此必須設計專用的夾具,才能加工出合格的襯套零件。
三、襯套加工工序安排分析
在完成兩外圓和內部形狀加工后,2—φ4+0.160孔,兩處寬1±0.2mm的槽和兩處弧形面,各道工序的安排順序,決定著襯套的工藝性和經濟性。如把加工寬1±0.2mm槽或加工弧形面安排在前,則在加工2—φ4+0.160孔時,無準確的定位基準,就不能保證2—φ4+0.160孔與兩槽、兩弧形面要求的位置。加工槽和加工弧形面這兩個工序,無論哪個工序安排在前,后一個工序都無準確的定位基準。因此,最好是把加工2—φ4+0.160孔安排在前,其次是加工寬1±0.2mm的槽,最后加工弧形面。因槽加工后,加工弧形面的深度就到槽為止,容易控制。在完成φ4+0.160孔、槽、弧形面加工后,在襯套內面產生了毛刺,需安排內、外面去毛刺工序。
四、夾具設計
1.鉆模
加工φ4+0.160孔的簡易鉆模如圖2所示。

1.鉆模座 2.鉆套 3.定位銷
圖2 鉆模
襯套以φ410-0.34外圓和臺階環形面C定位。以臺階環形面C定位,保證2—φ4+0.160孔中心與臺階環形面距離尺寸3.8±0.2mm。使用時用虎鉗鉗口夾住鉆模座1端面G和襯套大端面。鉆模上φ34+0.15+0.05孔是為了襯套在鉆孔后可能有毛刺不好取時,可從孔的左端往右端推出。在鉆模上鉆出第一個φ4+0.160孔后,松開鉗口,將襯套轉80°,再插入定位銷3,夾緊后鉆第二個孔,從而保證了兩孔軸心線之間夾角為80°。
2.銑槽夾具
為了加工寬1±0.20mm的對稱兩槽,設計了如圖3所示的簡易銑削夾具。加工時襯套仍以其臺階C面和內孔φ31+0.100定位,而沿其φ410-0.34圓周方向上則以φ4+0.160孔D定位。調整墊3的厚度可根據尺寸3.8±0.20mm在公差內分組,每隔0.10mm一件,共做4件,供鉆孔時襯套分組調節尺寸用(條件允許也可用量塊調整尺寸)。夾具體φ31-0.03-0.08的兩個φ4+0.08+0.03定位銷孔,是為了提高夾具工作效率,這樣在第一件襯套銑完第二個槽時,夾具體無需再旋轉180°。將此夾具夾緊在分度頭上即可銑槽。

1.夾具體 2.螺桿 3.調整墊 4.定位銷
5.開口墊 6.螺母 7.墊圈
圖3 銑槽夾具
3.銑弧形面夾具
由于弧形面是對稱的兩處,為此設計了如圖4所示的簡易夾具。

1.夾具體 2.調整墊 3.導向壓緊蓋 4.緊固螺桿 5.螺帽
圖4 銑弧形面夾具
在夾具上襯套的定位方式完全同銑槽夾具。導向壓緊蓋3由襯套上φ410-0.34外圓和φ4+0.160孔實現定位。導向壓緊蓋材料為T8A,熱處理HRC52~58。加工襯套時,立銑刀只要沿導向壓緊蓋上的弧線切削便可。此夾具夾在圓工作臺上,用立銑刀即可加工弧形面。
相關文章
- 2021-09-08BIM技術叢書Revit軟件應用系列Autodesk Revit族詳解 [
- 2021-09-08全國專業技術人員計算機應用能力考試用書 AutoCAD2004
- 2021-09-08EXCEL在工作中的應用 制表、數據處理及宏應用PDF下載
- 2021-08-30從零開始AutoCAD 2014中文版機械制圖基礎培訓教程 [李
- 2021-08-30從零開始AutoCAD 2014中文版建筑制圖基礎培訓教程 [朱
- 2021-08-30電氣CAD實例教程AutoCAD 2010中文版 [左昉 等編著] 20
- 2021-08-30電影風暴2:Maya影像實拍與三維合成攻略PDF下載
- 2021-08-30高等院校藝術設計案例教程中文版AutoCAD 建筑設計案例
- 2021-08-29環境藝術制圖AutoCAD [徐幼光 編著] 2013年PDF下載
- 2021-08-29機械AutoCAD 項目教程 第3版 [繆希偉 主編] 2012年PDF