一、棱柱
1 、棱柱的投影
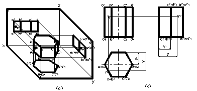
如下圖,是一六棱柱,它是由上下兩正六邊和六個矩形的側面所圍成。對各投影進行分析。
作投影圖時,先畫出中心線對稱線,再畫出六棱柱的水平投影正六邊形,最后按投影規律作出其它投影。

正六棱柱的投影及表面上取點
2 .棱柱表面上取點
1 )棱柱表面都處于特殊位置,其表面上的點可利用平面的積聚性求得;
2 )求解時,注意水平投影和側面投影的 Y 值要相等;
3 )點的可見性的判斷,面可見,點則可見,反之不可見。
二、棱錐
1 .棱錐的投影

正三棱錐的投影
1 )分析三棱錐各平面的投影;
2 )作三棱錐的三面投影。
2 .棱錐表面上的點
棱錐表面上點的投影可在平面上作輔助線進行求解,如下圖。

棱錐表面上取點
三、圓柱
1 .圓柱面的形成
有一母線繞與它平行的軸線旋轉而成。
2 .圓柱體的投影對圓柱體的各個投影進行分析。
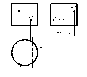
3 .圓柱表面上的點
在圓柱表面上有兩點 M 和 N ,已知 M 的正面投影 m' , N 點的側面投影( n” ),求作 M 和 N 的另外兩個投影。如圖所示。

圓柱表面上取點

圓柱表面上點的投影,在投影面為圓的投影中,其表面上點的投影都在該圓上。注意: Y 值要相等。
四、圓錐
1 .圓錐面的形成
有一母線繞和它相交的軸線旋轉而成。
2 .圓錐的投影
對圓錐的投影進行分析,如圖
圓錐的投影
3 .圓錐表面上的點
圓錐的三個投影都沒有積聚性,因而圓錐表面上點的投影,就不能直接求得,要采用輔助素線和輔助圓法。
( 1 )輔助素線法,如圖( b )。

圓錐表面上取點
( 2 )輔助圓法:如上圖( c )。注意在畫圓時,半徑是從中心線到輪廓素線,而不是從中心線到點。
五、球
1 .球的形成
球面可看成是以一圓為母線,以其直徑為軸線旋轉而成。
2 .球的投影
圓球的投影是與圓球直徑相同的三個圓,這三個圓分別是三個不同方向球的輪廓的素線圓投影,不能認為是球面上同一圓的三個投影。對投影圖進行分析。

圓球的投影
3 .圓球表面上點的投影
圓球表面上點的投影,要作輔助圓,圓的半徑是從中心線到輪廓線,作圖時要注意。

圓球表面上取點
六、圓環
1 .圓環的形成
圓環可看成是以圓為母線,繞與它在同一平面上的軸線旋轉而形成的。
2 .圓環的投影
( 1 )對圓環的投影進行分析;
( 2 )如何畫圓環的投影圖。
3 .圓環表面上的點

圓環表面上取點
利用輔助圓求點的投影。
相關文章
- 2021-09-08BIM技術叢書Revit軟件應用系列Autodesk Revit族詳解 [
- 2021-09-08全國專業技術人員計算機應用能力考試用書 AutoCAD2004
- 2021-09-08EXCEL在工作中的應用 制表、數據處理及宏應用PDF下載
- 2021-08-30從零開始AutoCAD 2014中文版機械制圖基礎培訓教程 [李
- 2021-08-30從零開始AutoCAD 2014中文版建筑制圖基礎培訓教程 [朱
- 2021-08-30電氣CAD實例教程AutoCAD 2010中文版 [左昉 等編著] 20
- 2021-08-30電影風暴2:Maya影像實拍與三維合成攻略PDF下載
- 2021-08-30高等院校藝術設計案例教程中文版AutoCAD 建筑設計案例
- 2021-08-29環境藝術制圖AutoCAD [徐幼光 編著] 2013年PDF下載
- 2021-08-29機械AutoCAD 項目教程 第3版 [繆希偉 主編] 2012年PDF