1 故障現象
臺灣 GOODWAY 公司生產的 GCL-15 型數控車床 , 采用 FANUC 0T 數控系統。 X 、 Z 分別采用 FANUC 5、10 型 AC 伺服電動機驅動 , 主軸采用 FANUC 8S AC 主軸驅動。機床帶液壓夾具、液壓尾架和 15 把刀的自動換刀裝置, 全封閉防護, 自動排屑。機床本身價格高、精度好 , 是該公司的主要加工設備之一。
該機床發生的故障現象為 : 機床開機時全部動作正常 , 伺服進給系統高速運動平穩、低速無爬行 , 加工的零件 精度全部達到要求。當機床正常工作 5-7h 后 ,Z 軸出現劇烈振蕩 ,CNC 報警 , 機床無法正常工作。這時 , 即使關機再啟動 , 只要手動或自動移動 Z 軸 , 在所有速度范圍內 , 都發生劇烈振蕩。但是 , 如果關機時間足夠長 , 機床 又可以正常工作 5-7h, 并再次出現以上故障 , 如此周期性重復。
2 故障初步分析
根據以上故障現象 , 分析其原因不外乎與 Z 軸有關的機械、電氣兩個方面。在機械方面 , 可能是由于貼塑導軌的熱變形、脫膠 , 滾珠絲杠、絲杠軸承的局部損壞或調整不當等原因引起的非均勻性負載變化 , 導致進給系統的不穩定。在電氣方面, 可能是由于某個元件的參數變化 , 引起系統的動態特性改變, 導致系統的不穩定等。
鑒于本機床采用的是半閉環伺服系統, 為了分清原因, 維修的第一步是松開 Z 軸伺服電動機和滾珠絲杠之間的機械聯接。在 Z 軸無負載的情況下, 運行加工程序 , 以區分機械、電氣故障。經試驗發現 : 故障仍然存在, 但發生故障的時間有所延長。因此, 可以確認故障為電氣原因 , 并且和負載大小或溫升有關。
由于數控機床伺服進給系統包含了 CNC 、伺服驅動器、伺服電動機三大部分, 為了進一步分清原因, 維修的第二步是將 CNC 的 X 軸和 Z 鈾的速度給定和位置反饋互換 (CNC 的 M6 與 M8,M7 與 M9 互換 ),即:利用 CNC 的 X 軸指令控制機床的 Z 軸伺服和電動機運動 ,CNC 的 Z 軸指令控制機床的 X 軸伺服和電動機運動 , 以判別故障發 生在 CNC 或伺服。經更換發現 , 此時 CNC 的 Z 軸 ( 帶 X 軸伺服及電動機 ) 運動正常 , 但 X 軸 (帶 Z 軸伺服及電動機)運動時出現振蕩。據此,可以確認: 控制 Z 軸的 CNC 正常, 故障在 Z 軸伺服驅動或伺服電動機上。
考慮到該機床 X 、 Z 軸采用的是同系列的 AC 伺服驅動 , 其伺服 PCB 板型號和規格相同 , 為了進一步縮小檢查范圍 , 維修的第三步是在恢復第二步 CNC 和 X 、 Z 伺服間的正常連接后 , 將 X 、 Z 的 PCB 板經過調整設定后互換。經互換發現 , 這時 X 軸工作仍然正常 ,Z 軸故障依舊。可見 ,Z 軸的 PCB 板正常。
根據以上試驗和檢查 , 可以確認故障是由于 Z 軸伺服主回路或伺服電動機的不良而引起的。但由于 X 、 Z 電動機的規格相差較大 , 現場無相同型號的伺服驅動和電動機可供交換。考慮到伺服主電路和伺服電動機的結構相對比較簡單 , 故采用了原理分析法再進行了以下檢查。
3 伺服主回路分析
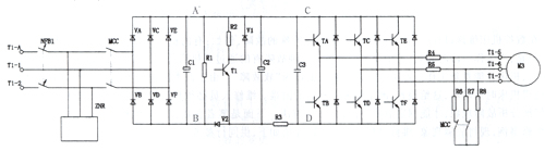
經過前面的檢查 , 故障范圍己縮小到伺服主回路與伺服電動機上。當時筆者認為伺服主回路 , 特別是逆變功率管由于長時間在高壓、大電流情況下工作 , 參數隨著溫度變化而變值的可能性較大。為此 , 測繪了實際 AC 驅 動主回路原理圖 ( 圖 1)。 #p#分頁標題#e#

圖 1 伺服驅動主回路原理圖
圖1 中 ,NFBl 為進線斷路器 ,MCC 為伺服主接觸器 ,ZNR 為進線過電壓抑制器。 VA-VF 為直流整流電路 , TA - IF 為 PWM 逆變主回路。 C1 、 C2 、 C3 、 R1 組成濾波電路 ,V1 、V2、 R2 、 Tl 組成直流母線電壓控制回路。 R3 為直流母線電流檢測電阻 ,R4 、 R5 為伺服電動機相電流檢測電阻 ,R6-R8 為伺服電動機能耗制動電阻。
經靜態測量 , 以上元件在開機時及發生故障停機后其參數均無明顯變化 , 且在正常范圍。
為此 , 對主回路的實際工作情況進行了以下分析和測量 : 對于直流整流電路 , 若 VA-VF 正常 , 則當輸入線電壓 Ul 為 200V 時 ,A 、 B 間的直流平均電壓應為 :UAB =1.35 × Ul =270V。 考慮到電容器 C1 的作用 , 直流母線的實際平均電壓應為整流電壓的 1.1-1.2 倍左右 , 即 :300 - 325V 左右。實際測量 ( 伺服單元的 CN3 的 5 腳與 CN4 的 1 腳間 ), 此值為正常 , 可以判定 VA-VF 無故障。
對于直流母線控制回路 , 若 V1 、 V2 、 T1 、 R2 、 R3 工作正常 , 則 C 、 D 間的直流電壓應略低于 A 、 B 間的電壓 , 實際測量 ( 伺服單元的 CN4 的 1 腳與 CN4 的 5 腳間 ), 此值正常 , 可以判斷此回路無故障。
測量 PWM 逆變主回路輸出 (T1 的 5 、 6、7 端子 ), 發現 V 相 電壓有時通時斷的現象 , 由此判斷故障可能在 V 相。將 U 相 的逆變晶體管 (TA 、 TB) 和 V 相的逆變晶體管 (TC 、TD) 進行互 換 , 但故障依舊。因此 , 可以確認 : 伺服驅動正常 , 故障原因應在伺服電動機上。
4 伺服電動機檢查與維修
對伺服電動機進行仔細的檢查 , 最終發現電動機的 V 相 絕緣電阻在故障時變小 , 當放置較長時間后 , 又恢復正常。為此 , 按以下步驟拆開了伺服電動機 ( 圖 2):(1) 松開后蓋連接螺釘 6, 取下后蓋 11;(2) 取出橡膠蓋 12;(3) 取出編碼器連接螺釘 10, 脫開編碼器和電動機軸之間的連接 ;(4) 松開編碼器固定螺釘 9, 取下編碼器 ( 注意 : 由于實際編碼器和電動機軸之 間是錐度啃合 , 連接較緊 , 取編碼器時應使用專門的工具 , 小心取下 );(5) 松開安裝座的連接螺釘 8, 取下安裝座 7 。這時 , 露出電動機繞組 5 。經檢查 , 發現該電動機繞組和引出線中間的連接部分由于長時間的冷卻水滲漏 , 絕緣已經老化。經過重新連接、處理 , 再根據圖 2 重新安裝上安裝座 7, 并固定編碼器連接螺釘 10, 使編碼器和電動機軸啃合。

l-電樞線插座 ;2-連接軸 ;3-轉子;4-外殼;5-統組
6-后蓋連接螺釘;7-安裝座;8-安裝座連接螺釘;
9-編劇器固定螺釘;10-編碼器連接螺釘;11-后蓋;
12-橡膠蓋;13-編碼器軸;14-編碼器電纜;15-編碼器插座。
5 轉子位置的調整
在完成伺服電動機的維修后 , 為了保證編碼器的安裝正確 , 又進行了轉子位置的檢查和調整 , 方法如下 :(1) 將電動機電樞線的 V 、 W 相 ( 電樞插頭的 B 、 C 腳 ) 相連 ;(2) 將 U 相 ( 電樞插頭的 A 腳 ) 和直流調壓器的 "+" 端相 聯 ,V 、 W 和直流調壓器的 "-" 端相聯 ( 見圖 3a),編碼器接入+5V 電源 ( 編碼器插頭的 J 、 N 腳間 );(3) 通過調壓器對電動機電樞加入勵磁電流。這時 , 因為 Iu=Iv+Iw, 且 Iv= Iw, 即使電動 機工作在圖 3b 所示的π /2 位置 , 因此伺服電動機 (永磁式 ) 將自動轉到 U 相的位置進行定位 ( 注意 : 加入的勵磁電流不可以太大 , 只要保證電動機能進行定位即可。實際維修時調整在 3-5A); #p#分頁標題#e#

圖 3 轉子位置調整示意圖
(4) 在電動機完成 U 相定位后 , 旋轉編碼器使編碼器的轉子位置檢測信號 C1 、 C2 、 C4 、 C8( 編碼器插頭的 C 、 P 、 L 、 M 腳 ) 同時為 "1", 和電動機實際位置保持一 致 ;(5) 安裝編碼器固定螺釘 , 裝上后蓋 , 完成電動機維修。
經以上維修 , 機床恢復了正常。
6 結語
數控機床的 " 軟故障 " 是維修過程中最難解決的問題之一。在條件許可時 , 使用 " 互換法 " 可以較快地判別故障所在 , 而根據原理進行分析 , 是解決問題的根本辦法。維修人員應根據實際情況 , 仔細分析故障現象 , 才能判定 故障原因 , 并加以解決。