1 引言
臥式螺旋離心機(簡稱臥螺離心機)如圖1,廣泛應用于石油、化工、冶金、醫藥、食品、輕工等部門。即可用于固體脫水和分級,也可用于液體的澄清,在離心機領域占有重要地位。由于這種離心機具有單機處理能力大、操作方便、能連續自動操作、勞動強度低、占地面積少以及維護費用低等優點,所以自五十年代以來,螺旋離心機在污泥脫水中得到廣泛應用,逐漸取代其他脫水機械成為大型城市污水處理廠污泥脫水的首選設備。懸浮液通過在螺旋輸送器中心的進料管進入高速旋轉的轉鼓內,由于離心力的作用,較重或較大的顆粒被拋向旋轉的轉鼓內壁,通過螺旋小端的噴射孔噴出轉鼓,而較輕的固體顆粒及液相通過轉鼓大頭的溢流孔溢出轉鼓。懸浮液由一臺可實現無級調速的螺桿泵進料。

圖1 臥式螺旋離心機
2 系統的要求

圖2 臥式螺旋離心機側面圖
臥螺離心機用雙電機驅動(如圖2所示),與主動件相連的電機處于電動機工作狀態為主電機,與從動件相連的電機由于轉鼓差速的作用始終處于發電機狀態的為副電機,兩者的轉速需要精確的配合。該傳動方式早在60年代已應用于實驗室,但這種傳動方式幾十年來沒有在工業上獲得廣泛應用,究其原因:關鍵在于副電機再生的電能在當初的技術條件下不能合理利用。所以,在大多數情況下,臥螺離心機的副電機都被取消,而安裝了渦流制動器。
隨著電力電子技術的快速發展,,近年來變頻器的性能價格比大大提高,母線共連的方案也日趨成熟,國內有很多離心機廠家都在探索雙電機雙變頻器的驅動方案。在該方案中,主、副電機各用一臺普通變頻器驅,直流母線用適當的方式并接,較好的解決副電機持續發電的問題。它的應用,在能源日益緊缺的今天,有著特別重要的意義。
從發展趨勢看,臥螺的傳動已經從能耗嚴重的渦流制動發展到目前最主流的雙電機雙變頻驅動。
3 系統的控制方案
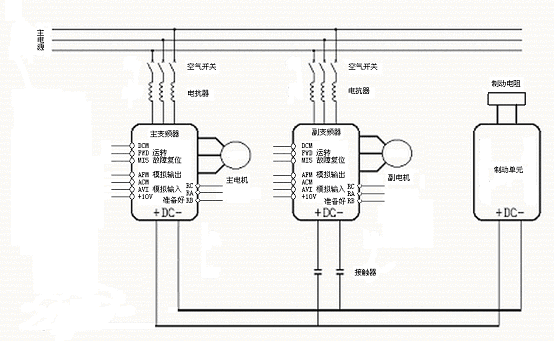
原理圖如圖3

圖3 控制系統原理圖
接線圖如圖4:

圖4 控制系統接線圖
在圖4中,空氣開關是每個變頻器的進線保護裝置,它應該采用帶輔助觸點的空氣開關,這主要是因為接觸器的接通必須同時滿足空氣開關的輔助觸點閉合和變頻器運行狀態正常這兩個條件,否則接觸器就斷開。
由于實際工作現場的復雜環境往往會導致電網的波動并產生高次諧波,使用進線電抗器就能有效地避免這些因素對變頻器的影響,也可用于增加電源阻抗并幫助吸收附近設備投入工作時產生的浪涌電壓和主電源的電壓尖峰,從而最終保護變頻器的整流單元。
系統配置:300B43A變頻器控制主電機30kW,075B43A變頻器控制副電機7.5kW。變頻器動作由面板按鈕來控制,頻率調整由面板電位器控制。面板上有轉速表,顯示電機的實際轉速,信號由變頻器模擬量輸出信號提供。
4 共直流母線的處理方法
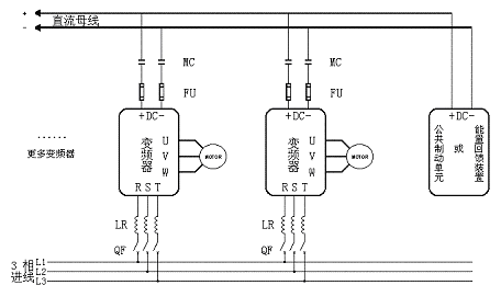
對于通用變頻器而言,采用共用直流母線很重要的一點就是在上電時必須充分考慮到變頻器的控制、傳動故障、負載特性和輸入主回路保護等。下圖所示為在其中一種應用比較廣泛的方案。該方案包括3相進線(保持同一相位)、直流母線、通用變頻器組、公共制動單元或能量回饋裝置和一些附屬元件。

圖5 變頻器共用直流母線示意圖#p#分頁標題#e#
該方案有以下特點:
(1)使用一個完整的變頻器,而不是單純使用傳統意義上的整流橋加多個逆變器方案;(2)不需要有分離的整流橋、充電單元、電容組和逆變器;
(3)每一個變頻器都可以單獨從直流母線中分離出來而不影響其他系統;
(4)通過連鎖接觸器來控制變頻器的DC到共用母線的聯絡;
(5)快熔來保護掛在直流母線上的變頻器的電容單元;
(6)所有掛在母線上的變頻器必須使用同一個三相電源。
為確保變頻器上電后順利地掛上DC母線,或是在變頻器故障后快速地與DC母線斷開以進一步縮小變頻器故障范圍,使用在該場合的變頻器必須要有信號24VDC或干觸點信號輸出,其輸出信號至少包括:
(1)準備好信號:該信號輸出有效則表示變頻器無故障,母線電壓正常,可以接受啟動命令;
(2)故障信號:該信號輸出表示變頻器故障。
FU為半導體快速熔斷器,額定電壓通常可選700VDC,額定電流必須考慮到驅動電機在電動或制動時的最大能量,一般情況下可以額定負載的125%電流即可。
MC為直流接觸器,額定電壓可選650VDC,其額定電流同樣須根據驅動電機制動時的最大電流來定,一般情況下可以選額定負載的120%電流。
5 參數設置
最高操作頻率設定 01-00=50
最大電壓頻率設定 01-01=50
最高輸出電壓設定 01-02=380
第一加速時間設定 01-09=180
第一減速時間設定 01-10=180
第一頻率指令來源設定 02-00=1
第一運轉指令來源設定 02-01=1
多功能輸出 03-00=20
模擬輸出信號選擇 03-05=4
多功能輸入指令五 04-08=30
6 測試數據
停車時進線電壓:3PH 380VAC
母線電壓:535VDC
主電機運行頻率:49.1Hz
副電機運行頻率:38.4Hz
主電機工作電流:25A
副電機工作電流:7A
直流母線電壓:495V
制動單元在變頻器速度穩定時沒有開啟,母線電壓正常。
7 結束語
采用臺達雙變頻器控制的離心機,具有如下特點:
(1)低速力矩大,啟動平穩;
(2)節能,共用母線雙電機雙變頻器驅動在臥螺離心機上廣泛應用,即主、副電機各用一臺普通變頻器驅動,其直流母線用適當的方式并接,較好的解決了這個問題,在能源日益緊缺的今天,有特別重要的意義;
(3)調整方便,適用范圍更廣;
(4)簡化機械結構,減少故障率。
相關文章
- 2021-09-08BIM技術叢書Revit軟件應用系列Autodesk Revit族詳解 [
- 2021-09-08全國專業技術人員計算機應用能力考試用書 AutoCAD2004
- 2021-09-08EXCEL在工作中的應用 制表、數據處理及宏應用PDF下載
- 2021-08-28計算機輔助設計與制造 21世紀全國應用型本科大機械系
- 2021-08-27計算機輔助設計與制造 21世紀全國應用型本科大機械系
- 2021-08-23零基礎學AutoCAD 2012電氣制圖工程應用 [張立富,陳剛,彭
- 2021-08-22AutoCAD 室內裝潢設計應用大全中文版 [馬永志,鄭藝華,劉
- 2021-08-22AutoCAD 2013應用與開發系列中文版AutoCAD 2013室內裝
- 2021-08-22AutoCAD 2013應用與開發系列中文版AutoCAD 2013機械圖
- 2021-08-14新編AutoCAD 2004中文版計算機輔助設計應用技能培訓教