在設計過程中,應降低節流閥的調整工作強度,研究加速度、停止力和振動等動態負載,使其最小化。
模型結構
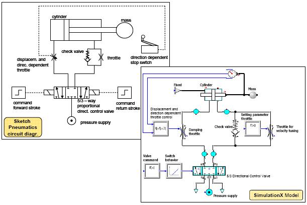
使用SimulationX 搭建下面的仿真模型(基于左邊的氣動回路圖解)。
氣壓缸與一個包括活塞桿質量和水平慣性負載的質量塊相連,使用一個5/3 方向控制閥控制氣壓缸的活塞桿位移,SimulationX 中方向控制閥的模型對象包括許多特征,可以模擬出流體特征(通過多種阻力模型)、開關性能和閥門動力學,通過機械聯接處的機械狀態量傳感器模塊來測量桿的位置,各種參數的節流閥組合實現伸展和收縮過程中的不同速度。“Displacement and direction dependent throttle valve”信號模塊從傳感器模塊得到速度和位移量,根據活塞桿的位置和方向計算阻尼閥的孔徑。
這些模型對象都可以在SimulationX 的Pneumatics,Mechanics 和Control 模塊中找到。

伸展和收縮過程的仿真被分別執行,為了評估驅動系統,可以在仿真期間選擇期望觀察到的量。
仿真結果


作為一個例子,上圖給出了活塞的速度、位移和氣缸內腔壓力的時間變化曲線。通過比較兩個過程的壓力曲線就可以評價不同的開關操作的影響。氣缸收縮時,在特定位置增加風門阻力,就能夠使較高的速
度慢下來,減小位移時間。
SimulationX 系統建模的概念
SimulationX 能夠讓用戶使用圖形界面在面向設備的層次上建立氣壓驅動器系統的模型。氣壓、機械和控制工程組件可以組合為一個仿真模型,研究不同組件不同學科領域之間互相影響的機制。通過修改系統結構和系統參數,可以比較評價各種可選方案。在此案例中,變動下面列出的參數能夠得到關于系統性能可靠的有價值的結論:
氣動節流閥的阻力特征
氣缸的幾何尺寸
在設計過程中,這些結論可以幫助選擇使用哪些組件,增強決定的信心。
相關文章
- 2021-09-08BIM技術叢書Revit軟件應用系列Autodesk Revit族詳解 [
- 2021-09-08全國專業技術人員計算機應用能力考試用書 AutoCAD2004
- 2021-09-08EXCEL在工作中的應用 制表、數據處理及宏應用PDF下載
- 2021-08-30高等院校藝術設計案例教程中文版AutoCAD 建筑設計案例
- 2021-08-28計算機輔助設計與制造 21世紀全國應用型本科大機械系
- 2021-08-27計算機輔助設計與制造 21世紀全國應用型本科大機械系
- 2021-08-23零基礎學AutoCAD 2012電氣制圖工程應用 [張立富,陳剛,彭
- 2021-08-22AutoCAD 室內裝潢設計應用大全中文版 [馬永志,鄭藝華,劉
- 2021-08-22AutoCAD 2013應用與開發系列中文版AutoCAD 2013室內裝
- 2021-08-22AutoCAD 2013應用與開發系列中文版AutoCAD 2013機械圖