
圖1 封閉切削循環
封閉切削循環是一種復合固定循環,如圖1所示。封閉切削循環適于對鑄、鍛毛坯切削,對零件輪廓的單調性則沒有要求。
編程格式 G73 U(i) W(k) R(d)
G73 P(ns) Q(nf) U(△u) W(△w) F(f) S(s) T(t)
式中:i--X軸向總退刀量;
k--Z軸向總退刀量(半徑值);
d--重復加工次數;
ns--精加工輪廓程序段中開始程序段的段號;
nf--精加工輪廓程序段中結束程序段的段號;
△u--X軸向精加工余量;
△w--Z軸向精加工余量;
f、s、t--F、S、T代碼。

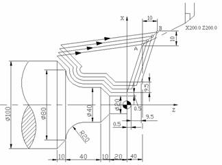
圖2 G73程序例圖
例:按圖2所示尺寸編寫封閉切削循環加工程序。
N01 G50 X200 Z200 T0101
N20 M03 S2000
N30 G00 G42 X140 Z40 M08
N40 G96 S150
N50 G73 U9.5 W9.5 R3
N60 G73 P70 Q130 U1 W0.5 F0.3
N70 G00 X20 Z0 //ns
N80 G01 Z-20 F0.15
N90 X40 Z-30
N100 Z-50
N110 G02 X80 Z-70 R20
N120 G01 X100 Z-80
N130 X105 //nf
N140 G00 X200 Z200 G40
N150 M30
相關文章
- 2021-08-11中文版3ds Max 2010完全學習手冊 段海朋等PDF下載
- 2021-08-01Visual LISP程序設計(AutoCAD 2006)PDF下載
- 2021-07-30AutoCAD程序設計魔法書 [AutoLISP DCL基礎篇]PDF下載
- 2021-02-08AutoCAD 2012室內裝潢設計 [段輝 等編著] 2012年PDF下
- 2015-05-28海南清水灣卓美亞酒店第三階段樣板間招標圖紙
- 2014-08-26某實驗室加工車間建筑方案圖下載
- 2014-08-18某鎳場水淬循環水池及水淬泵房建筑施工圖
- 2014-08-07某面粉加工廠建筑施工圖下載
- 2014-07-22某廠區整工段廠房加皮帶廊建筑施工圖下載
- 2014-07-21某加工廠房建筑施工圖CAD圖紙全套下載