一、 前言:
我國政府于80年代中、90年代初在武漢華中科技大學成立了國家激光技術重點實驗室(研究激光與物質作用的理論)和國家激光加工工程中心(研究激光加工的應用),并在這兩個源頭的牽引下,催生了“中國光谷”,“中國光谷”在市場經濟的導向下,短短的數年創造了幾十項激光技術領域的第一乃至世界第一。
大功率CO2激光毛化技術與設備屬于有自主知識產權的國際領先技術,該技術不僅能完成高質量的激光毛化形貌,還具備激光淬火的特殊功能,能使軋輥的壽命提高一倍以上,其綜合經濟效益能給使用者年內收回投資及帶來長期、穩定、明顯的經濟效益。
二、 CO2激光毛化機理
激光毛化技術與設備是我國“八五”國家科技(攻關)計劃項目,91年啟動,96年在武鋼投產,取得了一定的成效。限于80年代末、90年代初各項單元技術條件的限制,作為國內重點科研課題研制的第一臺CO2激光毛化機床存在一些問題在所難免,現在雖暫時停產,但應該看到該項技術在國際毛化領域中所具有的前瞻性和市場前景。目前在華中科技大學華工激光公司的實施下,已有昆明鋼鐵公司、濟南鋼鐵公司、唐山建龍鋼鐵公司、重慶鋼鐵公司采用了該項技術與裝備,并獲得了新的知識產權專利。
1) CO2激光毛化機理(具有毛化、硬化功能)
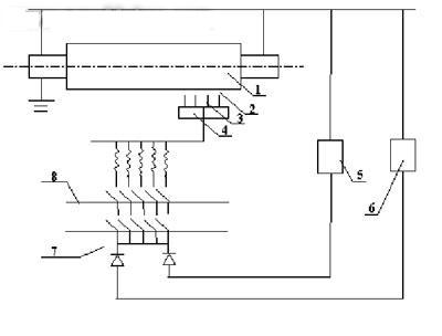
如圖1所示:毛化加工時斬光盤2逆時針旋轉,軋輥1順時針旋轉,激光束3通過聚焦鏡4照射到前齒的后齒面,反射到后齒的前齒面,再入射到軋輥表面Q點,其入射面積小于0.5mm2,其功率密度為104~105W/cm2,使輥面金屬材料組織迅速發生相變(溫度在溶點以下)。

圖1
如圖2所示:在相變硬化區內形成馬氏體、碳化物、殘余奧氏體等,并由于其加工升溫速度和冷卻速度極快10-5秒,致使相變硬化區內所獲得各種組成項都極為細小并產生大量的錯位,這些對提高輥面硬度、耐磨性都是十分有利的,使得激光相變后的輥面組織具有比常規淬火更為優異的耐磨性,同時為下一步的激光溶凝造型的毛化做了預熱。

如圖3所示:當斬光盤2的前齒和后齒移動到圖示位置,激光束3通過前、后齒間的透孔直接聚焦入射到軋輥1的輥表面Q’點,其入射面積為0.02mm2,其功率密度在107W/cm2以上,使輥面金屬材料迅速溶化成溶池,溶池內的溶解物在側吹氣體5及離心力作用下按一定的方向堆積到溶池邊沿并通過極速冷凝形成有序的硬度極高的凹坑與凸臺,完成毛化加工。給定方向、流量、壓力的側吹氣體5除了完成造型任務,還有三種功能:1.避免軋輥表面在熱加工過程中與空氣中的氧發生作用,產生脫碳現象影響凸臺強度。

2)CO2激光毛化工藝
根據冷軋板軋制工藝要求及后續加工工藝要求:如普板、家電板、汽車板、防偽板、退火、深沖、超深沖、鍍鋅、彩涂等選定輥面粗糙度值、密度值、平坦度值的工藝指標,以及粗糙度復印率、衰減率的工藝指標(在實際生產中,這兩項指標對使用者十分重要),決定工藝指標的主要工藝參數是激光器使用功率、激光脈沖頻率、掃描速度、光斑直徑、聚焦距離。其中使用功率越大,粗糙度值(Ra)越大,功率值連續自動可調控;脈沖頻率由斬光盤轉速與斬光盤齒數確定,一般為20KHZ左右,即每秒可造2萬個點的毛化形貌;即脈沖頻率越高,密度值(峰值數PC)越高。掃描速度由軋輥轉速,輥面直徑及毛化裝置移動速度確定,一般為6.5米/秒,降低掃描速度可提高Ra與PC值;光斑直徑與焦距由外光路確定。這些變量均可由840D數控系統、檢測系統及專用工藝軟件來精確執行,操作人員只需負責吊裝、輸入選定的粗糙度值、密度值、平坦度值即可,十分方便。由于所有工藝參數均能精確控制,所以CO2激光毛化能再現所需的加工過程和結果,這一點對總結毛化效果、開發新產品十分有利(第一代的噴丸、第二代的#p#分頁標題#e#電火花均有不能明顯硬化和再現功能的缺陷)。

三、電火花毛化機理
電火化毛化技術的專用設備,目前在國內還沒有專業的生產廠家,多數鋼企只是認為其形貌的均勻性、保持性比噴丸毛化好,并且由于從眾、從外的心理誘導,所以大多引進了國外的電火花毛化設備。應該說電火花毛化技術是在40年代的電火花加工技術的基礎上誕生的,這比激光加工技術要落后幾十年。我們不應該走引進落后再引進的老路,更何況性價比相差兩倍以上。
我國是在50年代初開始研究和應用電火花加工技術的,主要用于模具成型和線切割加工。我國政府在冶金行業毛化設備的問題上敢為人先,高端進入,拋開電火花毛化設備的跟進研制,直接在武鋼投入“大型CO2激光毛化設備與工藝”國家重點科研項目無疑是正確的導向。
1)電火花毛化機理
電火花是一種自激放電,其特點是放電前兩個電極間具有較高的電壓,當兩電極接通時,其間隙中的電解液被擊穿后,即發生瞬間的火花放電,伴隨擊穿過程,兩電極之間的電阻迅速變小,電壓迅速降低。
如圖5所示:軋輥1被毛化的部分與電極3均浸泡在電解液2內,其間的間隙距離為0.1mm左右,軋輥為零線接地作低速旋轉運動,轉速通常為8rpm左右,電極3裝在毛化頭4上作水平直線運動。電回路包括一個高電壓回路5和一個低電壓回路6。當電解液2被擊穿時,高電壓回路的低電流提供初始脈沖。凹坑與針狀尖峰的毛化是低電壓脈沖通過電極對軋輥表面金屬材料產生的電火花放電產生的。電流的大小是通過選擇一個或者多個電阻組合完成,其脈沖頻率是通過調節振蕩器的輸出來設定。電流的大小和電火花持續的時間決定了軋輥表面凹坑、尖峰的大小、數量和形狀,(當然在軋輥被毛化的同時,電極也會被更快的毛化,屬易損件)。

1. 軋輥 2. 電解液 3. 電極 4. 毛化頭 5. 高壓電火 6. 低壓電火 7. 選擇電流 8. 機械脈沖
圖5
由于受電火花加工技術本身的限制,不能形成抗擠壓能力很強的丘狀凸臺。由于針狀尖峰衰減很快,軋輥表面毛化的形貌保持性較差,初期磨損階段磨損速度很快,正常期磨損階段耐磨性一般。為了延長軋輥的使用壽命許多鋼企采用了電火花毛化加鍍硬鉻工藝,即在電火花毛化的輥面上機械結合硬度更高的鍍鉻層。但由于鍍鉻會產生波谷填充影響毛化效果,更重要的是由于機械結合在復雜的軋制中易出現鍍鉻層局部脫落,所以舉步維艱。圖5所示毛化頭4由一個伺服軸和十幾個獨立電極3組成,一臺電火花毛化機床一般有幾個毛化頭。
2)電火花毛化工藝 #p#分頁標題#e#
決定電火花毛化工藝指標的重要參數是脈沖電源的各種電參數、放電間隙、電解質。其中電流越大電火花溶坑越深,粗糙度值(Ra)增大,相應的峰值數(PC)減小。電流持續的時間越長,電火花溶坑越寬,相應的峰值數(PC)減小,反之PC值增大。間隙越小,效率越高,但間隙過小不利用絕緣油流動時帶走電火花過程中產生的廢棄物。通常間隙在0.1mm左右。電解液由絕緣油和添加劑組成,其中添加劑在間隙中形成導電橋。添加劑介電系數越高,間隙越小,添加劑的顆粒大小,分布的均勻性在間隙中的流量均對電火化毛化效果有很大影響。另外電極的放電端面與輥面的圓弧面,兩面之間的對應各點保持等距也是不可能的。

電火花毛化輥面 激光毛化輥面
四、結束語
綜上所述,通過對兩種技術的機理與工藝比較,我們不難看出:電火花毛化技術源于40年代的電火花技術,其影響毛化效果的工藝參數、因素很多,并且極為復雜,隨機性很強。受其技術水平本身的限制,其毛化形貌的再現性、保持性、耐磨性均落后于建立在20世紀四大發明之一的激光技術上的激光毛化,特別表現在硬化效果和工藝的穩定性上面,且電火花毛化需使用大量的電解液,有污染、耗能大。另外進口的電火花毛化設備比國產CO2激光毛化設備貴2-5倍。由此,我們不難得知:新型大功率CO2激光毛化設備將成為國內外冶金行業第三代主導產品。
相關文章
- 2021-09-08BIM技術叢書Revit軟件應用系列Autodesk Revit族詳解 [
- 2021-09-08全國專業技術人員計算機應用能力考試用書 AutoCAD2004
- 2021-08-19清華社“視頻大講堂”大系AutoCAD 2012中文版機械設計
- 2021-07-16AutoCAD R13實用技術PDF下載
- 2021-07-12Maya 節點技術教程 王澄宇編著PDF下載
- 2021-06-02AutoCAD建筑制圖技術與項目實踐PDF下載
- 2021-05-28常用零部件的AutoCAD二維參數化繪圖技術(上冊)PDF下載
- 2021-05-27常用零部件的AutoCAD二維參數化繪圖技術(上冊)PDF下載
- 2021-05-20清華社“視頻大講堂”大系AutoCAD 2012中文版電氣設計
- 2021-05-20清華社“視頻大講堂”大系AutoCAD 2012中文版機械設計