一、思考題:
1、板料的彎曲變形過程大致可分為哪幾個階段?各階段的應力與應變狀態如何?
2、寬板彎曲件與窄板彎曲件為什么得到的模截面形狀不同?
3、板料的彎曲變形有哪些特點?
4、什么是最小彎曲半徑?影響最小彎曲半徑的因素有哪些?
5、影響彎曲回彈的因素是什么?減小彎曲回彈的措施有哪些?
6、確定彎曲回彈值大小的方法有哪幾種?
7、彎曲件工序安排的一般原則是什么?
8、彎曲模結構設計時應注意些什么?
二、計算題:
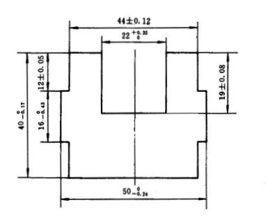
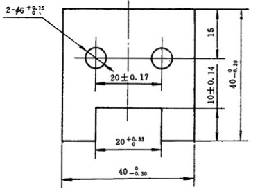
1、試分析下圖所示兩個零件的彎曲工藝性,對彎曲工藝性不好之處,請提出工藝性解決措施。材料為20鋼板,未注彎曲內圓角半徑為2mm。


2、求下圖所示兩個彎曲件的展開長度。


3、求下圖所示彎曲件的坯料展開長度。

4、求下圖所示彎曲件的坯料展開長度(無圓角彎曲)

5、試計算下圖所示彎曲件的坯料展開長度。

6、試用工序草圖表示下圖所示彎曲件的彎曲工序安排。

7、如下圖所示兩個零件,試計算彎曲時的總工藝力,并選擇壓力機噸位。


8、分析如下圖所示彈簧吊耳的工藝性,試:(1)計算其坯料尺寸和彎曲力(校正彎曲);(2)確定彎曲工藝方案,計算彎曲模工作部分的尺寸并繪制模具結構草圖。材料為35鋼退火。

9、分析如下圖所示彎曲件的工藝性,試:(1)計算坯料展開長度和彎曲力(不帶校正彎曲)。(2)確定彎曲工藝方案,計算彎曲模工作部分的尺寸并繪制模具結構草圖。材料為Q235。

10、試確定下圖所示沖件的下料尺寸及沖壓工序過程,并選擇相應的沖壓設備。

相關文章
- 2021-09-08BIM技術叢書Revit軟件應用系列Autodesk Revit族詳解 [
- 2021-09-08全國專業技術人員計算機應用能力考試用書 AutoCAD2004
- 2021-09-08EXCEL在工作中的應用 制表、數據處理及宏應用PDF下載
- 2021-08-30從零開始AutoCAD 2014中文版機械制圖基礎培訓教程 [李
- 2021-08-30從零開始AutoCAD 2014中文版建筑制圖基礎培訓教程 [朱
- 2021-08-30電氣CAD實例教程AutoCAD 2010中文版 [左昉 等編著] 20
- 2021-08-30電影風暴2:Maya影像實拍與三維合成攻略PDF下載
- 2021-08-30高等院校藝術設計案例教程中文版AutoCAD 建筑設計案例
- 2021-08-29環境藝術制圖AutoCAD [徐幼光 編著] 2013年PDF下載
- 2021-08-29機械AutoCAD 項目教程 第3版 [繆希偉 主編] 2012年PDF