一種新穎的DC-50GHz低插入相移MMIC可變衰減器
時間:2011-06-19 13:54:47 來源:未知
1引言
GaAsMMIC控制電路由于體積小、重量輕、開關速度快、抗輻射、可靠性高、幾乎無功耗等顯著優點在許多電子系統中獲得廣泛應用。眾所周知,在現代先進的移動通信等系統(如空間分集智能天線和相控陣系統)中,均需進行幅度和相位的調整,一般系統均要求相位調整時,幅度變化越小越好。而幅度調整時,相位變化越小越好。文中所提DC-50GHz超寬帶的GaAsMMIC壓控電調衰減器除了具有大動態衰減范圍、優良的衰減隨控制電壓變化的線性度、優異的輸入/輸出駐波及多功能等特點外,低的插入相移是這種芯片的最顯著的特點。因此,這種電路可以用作:a)低插入相移條件下,作為DC?50GHzMMIC可變衰減器,組成自動損耗控制組件;b)在多倍頻程的矢量調制器中,在引入低插入相移時完成幅度調制和幅度調整功能;c)DC-50GHz的高性能吸收式(或稱匹配型)單刀單擲開關;d)多倍頻程的脈沖幅度調制器;e)與寬帶放大器級聯組成寬頻帶、大動態、衰減量隨控制電壓高線性變化的AGC(自動增益控制)放大器。
2設計
這種單片壓控可變衰減器的設計和實現,總體考慮如下:
——根據電性能指標要求,選擇合適的電路拓撲結構和設計合理的開關MESMET;
——獲得DC-50GHz頻率范圍下開關MESFET的等效電路模型參數比例縮放方程;
——采用串聯和并聯開關MESFET兩個控制端等負載設計方法,簡化電路和降低功耗。

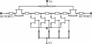
圖1電原理圖

圖2芯片照片
由于這種電路工作時,控制電壓是一組互補電壓,分別控制串聯和并聯的開關MESFET。電調過程中兩控制端的負載必須相同,否則壓控電調時,駐波特性明顯惡化。通常設計直流參數電路來平衡兩控制端的負載使其相同,達到電調控制中改善駐波特性的目的。本文采用了設計時選定兩控制負載相同的方法,達到改善電調控制端中駐波特性的目的。過程如下:
——采用成熟的微波單片電路設計軟件(如AgilentEesof軟件)進行電路的仿真和優化;
——根據優化的結果進行版圖設計;
——根據設計的版圖進行二次仿真和優化,并修改和確定版圖;
——選擇和設計合理的工藝途徑;
——工藝流片,微波在片測試。
電路原理如圖1所示,采用匹配型SPST的寬帶開關電路拓撲,開關臂兩端分別串聯吸收電阻器和開關MESFET并聯的支路以及多只與主傳輸并聯的開關MESFET組成,電路中采用了低色散、寬頻帶的共面波導傳輸線以展寬頻率帶寬。設計低插入相移功能的基本原理主要是利用相位相互抵消原理。即其電路物理概念為:串聯支路感抗引入的相位滯后和并聯支路容抗引入的相位超前相互抵消。電路設計時考慮的主要電性能指標為:
——DC?50GHz的頻率范圍;
——設法獲得最小衰減量及頻帶內衰減量起伏;
——最小衰減量時的低輸入/輸出駐波;
——最大衰減量及頻帶內衰減的平坦度;
——最大衰減量時的低輸入/輸出駐波;
——低相移衰減,盡可能小的衰減相移比。
電路設計采用AgilentEesof軟件,為獲得最佳電性能,不同的MESFET應選取不同的最佳柵寬,因此設計中采用了模型參數比例縮放技術。電路模型參數提取采用HPIC-CAP軟件及相應的模型參數提取系統。由于設計頻率高達50GHz,因而還采用了電路模型參數頻率擴展和擬合技術以獲得DC-50GHz開關MESFET電路模型的設計參數。
3制作
芯片采用南京電子器件研究所離子注入圓片工藝線制作,采用離子注入工藝具有較高的成品率和長期工作穩定性。工藝包括Au/Ge/Ni歐姆接觸金屬化:0.5μm柵長Ti/Pt/Au肖特基勢壘柵;N+、N-注入;離子注入電阻;金屬膜電阻;SiO2鈍化膜;微帶線;空氣橋;通孔接地;背面金屬化及電鍍等。工藝成品率高達80%以上,芯片間和圓片間的電性能具較好的一致性。芯片尺寸為2.33mm×0.68mm×0.1mm。芯片照片如圖2所示。信號輸入/輸出端均為共面波導接口,采用通孔接地和多重芯片鈍化技術,可靠性高。控制端均靠芯片一側,便于安裝使用。
#p#分頁標題#e#4性能
電性能測試采用HP8510C矢量網絡分析儀和CascadeMicrotech微波探針臺組成的微波在片測試系統。測試的各種電性能參數如最小衰減;最小衰減時的輸入/輸出駐波;最大衰減;最大衰減時的輸入/輸出駐波;最小衰減與最大衰減的相移差。當V1為0V,V2為負極性的FET夾斷電壓VP時,對應最小衰減態。當V1為VP,V2為0V時,對應最大衰減態。當V1從0V逐漸減小到VP,V2從VP同步逐漸增加到0V時,衰減量從最小變化到最大,反之亦然。芯片通過了高、低溫儲存,高、低溫沖擊,高、低溫工作,鍵合,剪切和工作環境溫度為125℃的1000小時工作壽命等實驗。
5結論
開發成功的低相移、多功能DC?50GHz高性能MMIC壓控可變衰減器,具有良好的電性能、較高的工藝成品率和高可靠性,達到了設計要求,具有一定的實用性。